
bnc接头公母如何区分
0 评论
/
德索技术知识分享课堂,今日课题为——bnc接头有公母吗?这是很多客户在采购中,可能会问自己的问题。那么,到底bnc接头有没有公母呢,下面德索电子的工程师就为你详细解答一下BNC接头是否存在公母的问题。
bnc接头和其他接头一样,也是分公母的。具体二者,如何区分,且听德索电子为您细细到来。bnc…

bnc视频监控接头测试方法
/
不少客户在制作好BNC接头以后,会碰到这样的问题,那就是不知道怎么去测试,那么到底bnc接头如何测试呢?对于这个测试方面的问题,德索电子工程师,将在下文中为您重点进行解答。
问题出现过程还原及详细描述:
用寻线器可能因为视频线屏蔽层或者线路较长缘故到服务器端听不见滴滴声。将摄像头那边的BNC头断开,然后在机房用万用表检测BNC头线路电阻是2.2*200M;摄像头那边线路BNC头线芯和屏蔽层用螺丝短路,检测线路电阻1.5在20M档(应该是1.5MΩ);将摄像头BNC头和线路连接,机房检测线路电阻增加到10在20M档(应该是10MΩ)。螺丝短路检测不是很稳定,可能因为短路接触不好。用工程宝测试过摄像头视频输出没问题,但是工程宝连接视频线图像发射到服务器端看不到图像,所以问题锁定在线路BNC头和线路本身。
工程师观点一
据排除方向,一般看不到图像有两种原因:摄像头本身跟线路问题。。。既然检测过摄像头没问题的话,就是线路上面的故障。。。至于说是BNC口故障还是线本身有问题这个最好办法就是重做BNC口
工程师观点二
一般有四种情况:视频线路,电源线路,BNC头,摄像机,要一个一个排除,测试,用替换法吧~~…
http://www.chem707.cn/wp-content/uploads/2018/02/1517986146-8260-wangxianzhuanbncjietou.png
311
583
dosin
http://www.chem707.cn/wp-content/uploads/2017/12/bncjietou-logo.png
dosin2018-02-07 14:49:502018-02-07 14:49:50网线转BNC接头接线如何接
BNC接头与USB连接器差别
/
连接器领域中,有两种是使用频率非常高的,一种是BNC接头,一种是usb连接器,虽然二者使用频率很高,但是能够说出二者区别的从业人员却不多,下面德索五金电子的工程师将会为您介绍一下bnc接头与usb连接器的区别,希望对您的采购工作有所帮助。
首页,我们要讲解一些BNC接头的概念,让您知道何为BNC接头。BNC接头属于视频监控范围的一种,可提高生活、工作的安全性。BNC接头是监控工程中用于摄像设备输出时导线和摄像机的连接头。有别于普通15针D-SUB标准接头的特殊显示器接口。由RGB三原色信号及行同步、场同步五个独立信号接头组成。
其次,我们在讲解一下USB连接器的概念,从细微之处了解一款产品。USB…
http://www.chem707.cn/wp-content/uploads/2018/02/1517655447-8398-bnc-interface-1030x670.jpg
670
1030
dosin
http://www.chem707.cn/wp-content/uploads/2017/12/bncjietou-logo.png
dosin2018-02-03 18:58:362018-02-03 18:58:36BNC连接器型号介绍
http://www.chem707.cn/wp-content/uploads/2018/01/1517299872-6845-91be710e0cf3d6cad64b-300x195.jpg
195
300
dosin
http://www.chem707.cn/wp-content/uploads/2017/12/bncjietou-logo.png
dosin2018-01-30 16:12:442018-01-30 16:12:44请问BNC接头怎样接最好
http://www.chem707.cn/wp-content/uploads/2018/01/1517299342-6994-bnc-jietou-hanjie-002.png
672
866
dosin
http://www.chem707.cn/wp-content/uploads/2017/12/bncjietou-logo.png
dosin2018-01-30 16:03:162018-01-30 16:03:16分享下BNC接头如何焊接
http://www.chem707.cn/wp-content/uploads/2018/01/1517299167-5783-1648939843-833294335.jpg
648
730
dosin
http://www.chem707.cn/wp-content/uploads/2017/12/bncjietou-logo.png
dosin2018-01-30 16:00:232018-01-30 16:00:23bnc视频接头接法图示
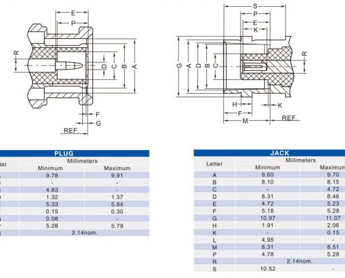
http://www.chem707.cn/wp-content/uploads/2018/01/1517296402-8187-bnc-jietou-gongmu.png
479
452
dosin
http://www.chem707.cn/wp-content/uploads/2017/12/bncjietou-logo.png
dosin2018-01-30 15:56:032018-01-30 15:56:03谈谈BNC接头是什么
如何挑选BNC接头
/
最近我们有收到BNC接头网用户发来的询问如何挑选BNC接头的邮件。这名用户介绍自己是一名连接器行业的采购人员,最近需要采购一批BNC接头,但现在做连接器的厂家众多,实在不知道如何挑选。了解到这一情况后,小编查阅了很多资料,并且咨询了我们德索五金电子的采购人员。最终整理出这份资料,为大家介绍如何挑选BNC接头。
1、首先按使用要求选出特性阻抗、工作频率符合要求的射频同轴连接器。频率范围决定应用的频率上限,…
