
请问bnc连接器规格是怎样的
在下文中,德索五金电子工程师将会详细为您介绍BNC连接器规格方面的内容,让各位电子元器件从业者更好的进行BNC连接器的采购工作。BNC连接器规格没有我们想象中的那么复杂,一篇文章便可让您记住BNC连接器的规格。
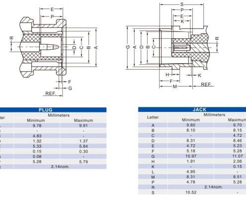
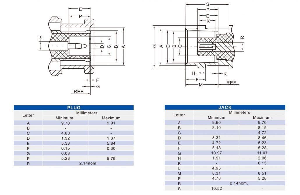
BNC连接器的规格,需要从电器性能、机械性能、环境性能三个方面来阐述,分别如下:
第一、电器性能
阻抗:…

请问网线转BNC接头接线是怎么接的
最近,网上有部分客户咨询这样的问题—?…

来看一看bnc接头最佳接法图
关于BNC接头最佳接法图,成为不少用户寻?…

认识一下BNC连接器及F连接器冷接工具
采购射频连接器,点击进入德索射频产品频道…

谁知道BNC接头品牌哪家好
bnc连接器是元器件采购中频率较高的产品,经常会有客户下bnc连接器方面的订单,这样一来,客户就会考虑到BNC接头品牌哪家好的问题,那么到底BNC接头品牌哪家好呢?对于这个问题,德索五金电子技术人员将在下文中为您进行详细的介绍。
在我们了解BNC接头品牌哪家好之前,需要先弄懂bnc连接器的基本知识,如果对于bnc连接器的概念都不懂的话,在品牌的选择方面势必会有些懵逼,只会知其然不知其所以然。在各种花哨的包装下,忘记了自己采购产品的初衷——产品性能。
那么什么是bnc连接器呢?德索五金电子指出:BNC连接器(英语:Bayonet…

请问bnc接头有没有75欧姆的
作为电子元器件行业的从业人员,一定知道bnc…

德索生产的bnc连接器就是质量可靠
一直以来,德索秉承质量至上的原则。德索五金电子,各种bnc连接器均通过ISO体系认证,符合国际环保要求,并且郑重承诺一年内质保服务。采购bnc连接器,上德索官网:http://www.chem707.cn/。
不知不觉,还沉静在10月1日国庆旅游的各种堵,各种累,各种喜悦中没缓过来,10月已经悄然过去一大半了,唯一能解释的是工作的充实。在德索电子看来,时间之所以过得如此之快,唯一的原因就是我们的工作安排的太充实,每天都是高效率运作。10月,是我们德索电子最忙碌的月份之一,我们做了一件比业绩更重要的事情,就是履行对客户的承诺,尽我们的一切力量,圆满完成客户对我们的期许,业绩第二,承诺第一。
用心做事…
