http://www.chem707.cn/wp-content/uploads/2018/02/1517655719-3786-19-2.jpg
600
600
dosin
http://www.chem707.cn/wp-content/uploads/2017/12/bncjietou-logo.png
dosin2018-02-03 19:03:412018-02-03 19:03:41你知道BNC接口怎么和线接起来吗
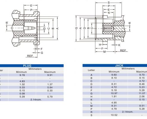
BNC连接器规格简介
/
在下文中,德索五金电子工程师将会详细为您介绍BNC连接器规格方面的内容,让各位电子元器件从业者更好的进行BNC连接器的采购工作。BNC连接器规格没有我们想象中的那么复杂,一篇文章便可让您记住BNC连接器的规格。
BNC连接器的规格,需要从电器性能、机械性能、环境性能三个方面来阐述,分别如下:
第一、电器性能
阻抗:…
http://www.chem707.cn/wp-content/uploads/2018/01/QQ截图20180116160701.png
250
600
dosin
http://www.chem707.cn/wp-content/uploads/2017/12/bncjietou-logo.png
dosin2018-01-22 18:20:002018-01-22 18:20:00来来来,bnc接口有没有75欧姆的
关于BNC接口与SMA接口的知识
/
关于BNC接口与SMA接口这两款产品,对于电子连接器的从业人员来说,应该不算陌生。这两款产品都是射频连接器中比较热门的两个产品,那么对于sma接口、bnc接口之间的差别您了解多少呢?下面德索bnc接头网就为您详细介绍一下BNC接口与SMA接口的知识。
SMA接口频率范围在0~18GHz之间,是超小型的、适合半硬或者柔软射频同轴电缆的连接,具有尺寸小、性能优越、可靠性高、使用寿命长等特点。但是超小型的接头在工程中容易被损坏,适合要求高性能的微波应用场合,如微波设备的内部连接。
BNC接口频率范围在0~4GHz之间,一般用于低功率具有卡口连接机构的同轴电缆接头,可以快速连接和分离,具有连接可靠、抗振性好、连接和分离方便等特点,适合频繁连接和分离的场合,广泛应用于无线电设备和测试仪表中连接同轴射频电缆。特性阻抗很重要,否则会造成不匹配,当阻抗匹配时,可以获得最大输出功率,设备利用效率最高;阻抗不匹配时,输出有效功率将减小;当外接阻抗等于设备内阻抗时,成为阻抗匹配。
关于BNC接口与SMA接口的知识就介绍到这了,您对于这两款产品之间的差别应该有一定的认识了,如果您有BNC接口、SMA接口的采购需求,可以拨打我们的热线电话:0769-81153906,德索bnc接头网欢迎您的垂询!
本文来源:http://www.chem707.cn/interface/615/

BNC连接器接口接触不良是什么原因
/
为什么有些BNC连接器在使用过程中,会出现接触不良的情况,你有没有认真思考过BNC连接器接触不良的原因。问题的出现肯定不会是平白无故的,这背后肯定有一些被人们忽视掉的原因,下面BNC接头网工程师将会为您分析一下BNC连接器接触不良是什么原因。
何为BNC连接器,是一种很常见的RF端子同轴电缆终结器,业内人士也称其为Q9头,是在安防监控工程、音频视频工程中最常的同轴电缆连接器。BNC插头又是一种标准的同轴电缆连接器,BNC电缆连接器必须连接到每段电缆的两端,一般用于视频监控工程和网络工程中,用于实现从设备到电缆或从电缆到设备之间的抗干扰连接。
BNC连接器之所以没有被淘汰,因为同轴电缆是一种屏蔽电缆,有传送距离长、信号稳定的优点。目前它还被大量用于通信系统中,如网络设备中的E1接口就是用两根BNC接头的同轴电缆来连接的,在高档的监视器、音响设备中也经常用来传送音频、视频信号。
BNC连接器一般是针接触件和孔接触件之间的连接。我们知道,元器件的引脚或端子,一般是有一层镀层,比如镀铅锡合金、镀纯锡、镀镍、镀银、镀银钯合金、镀金、等等。所以组件之间的接触,其实就是这些镀层金属之间的接触。当然,不同的镀层金属的导电率是不同的,对应产生的接触电阻也有所不同。一般金的导电率比较好,银次之。在焊接工艺时,由于焊接实际上是形成合金的过程,这个合金本身就是良导体,所以焊接本身的可靠性是比较高的,除非是焊接不良。但是,连接器之间的连接,靠的是表面之间的接触,所以容易导致接触不良,更具体的原因分析如下。
判断金属表面之间的接触性能是否正常,主要取决于材料(不同金属导电率不同)、接触压力、实际接触面结。关于材料种类,上面已经提到了,一般器件的镀层材料,基本上都是由良导体做的,对接触不良的影响不大,顶多影响接触电阻(当然更进一步来说还影响到了是否容易被氧化),所以不再更详细地讨论。关于连接器的接触压力,连接器靠的是孔接触件的弹力来给针接触件一定的压力的。一般压力越大接触得也越好。
通常情况下小而又薄的孔接触件提供特大压力的可能性是较低的。而且如果这个孔接触件本身的弹性不好,这个压力就小,接触也就没那么好。同时,如果孔接触件或针接触件有变形,也会导致实际接触面积小,从而有可能导致接触不良。同时,连接器的孔接触件或针接触件当然一般是连接在塑料上的,如果脚数多了,有可能导致某一个或数个接触件装在塑料件上的位置有偏差,于是,两个连接器插入时,那些偏位了的接触件就有可能接触不好。
阅读完上文之后,您对于BNC连接器接触不良是什么原因应该有个基本认识了,更多关于BNC连接器接触不良是什么原因方面的内容,请直接阅读其他BNC接头制作文章,会有其他收获额!德索电子,专业的BNC接头制造商,欢迎您前来采购BNC系列产品。ISO认证产品,一年质保服务,让广大客户放心采购。
本文来源:http://www.chem707.cn/

摄像头bnc接口制作看这里
/
摄像头BNC接口制作流程是怎样的呢,生活中,需要制作摄像头BNC接口的地方有很多,比如商场、超市,还有我们住处的楼道、过道等,都需要安装摄像头BNC接口,用以提高生活乃至商业的安全性,下面德索工程师教会教您快速制作一个摄像头BNC接口,感兴趣的看这里吧。
方法/步骤
这是“原始版”BNC接口,还没有开始制作
它是可以扭开的,不是固定不动的。
重点来了哟,铜线芯用螺丝压紧,铁片要和屏蔽铜线或铝纸接触,要不然视频会不清晰或不稳定,甚至黑屏。最好用老虎钳压紧铁片,以防监控线脱落。另外,屏蔽线不能接触到中间的铜线芯,要不然也会干扰到视频。
用螺丝扭紧铜芯,铁片紧压屏蔽铜线或铝纸。
就是这样,一个完美的BNC监控接口就是这样被做出来了,是不是很神奇。
摄像头bnc接口制作流程大致就是上面这样,您只需根据上述图文步骤一步步操作,那么便可以很快制作出一个摄像头BNC接口。德索电子BNC接口制造经验丰富,所有BNC接口产品已获得了ISO认证,倘若您有这方面的采购及定制需求,速度联系我们,欢迎您的来电!
产品展示:http://www.chem707.cn/gongtoumutou/
本文来源:http://www.chem707.cn/interface/481/

BNC接口的一般特性都在这里了
/
说BNC接口,很多客户都知道是什么东西,但若是问他们BNC接口的一般特性是什么,估计能答上来的没有几个。下面小编就整理收集了一些BNC接口的一般特性这方面的内容,让大家更好的了解BNC接口产品的属性,从而帮助到客户们的采购决策。
BNC接口的一般特性包含了频率范围、接触电阻、绝缘电阻、介质耐压、电压驻波比、连接器耐久性、中心接触件、壳体和其它金属零件、绝缘体、线夹、密封圈这些方面的知识,下面一起来看看吧。
频率范围:0~2GHz
接触电阻:内导体…

按接口形状上的不同,BNC头接口的类型有哪些?
/
BNC接口的类型有许多种,不知您知道几种,按接口形状上的不同便可区分,下面德索五金电子就BNC接口的类型问题给您做一些基本的介绍,希望对您有所帮助。
德索五金电子指出:BNC的接口形状都是统一的,只能分公头和母头,公头的外壳上面是有弹性的里面有弹簧,外面有圆弧槽,母头外面左右各一个圆点,俗称小耳朵。
上述内容便是德索五金电子针对“按接口形状上的不同,BNC头接口的类型有哪些”这个问题的解答,如果您想了解更多关于BNC接头方面的知识,请登录http://www.chem707.cn/,每天更新发布更新BNC接口相关产品,满足您订购查阅的需求。选择德索五金电子,构造安全,连接你我!

BNC接口和RCA接口存在什么区别
/
不知您对于BNC接口和RCA接口之间的区别了解多少,二者之间有着相似之处,也有着不同之处,各有各的优势与劣势,下面德索五金电子就为您介绍一下BNC接口和RCA接口存在什么区别,让您在今后的工作中更好的选择以及采购这两款产品。
1、BNC接头
BNC接口主要作用是传输视频信号,RCA其主要传输音频信号。不同的接口其优点和作用也是不同的,此外由于BNC接口的特殊设计连接非常紧不必担心接口松动而产生接触不良。
BNC接头有别于普通15针D-SUB标准接头的特殊显示器接口。由RGB三原色信号及行同步、场同步五个独立信号接头组成。主要用于连接工作站等对扫描频率要求很高的系统。BNC接头可以隔绝视频输入信号,使信号相互间干扰减少且信号频宽较普通D-SUB大,可达到最佳信号响应效果。
2、RCA接头
RCA接口实现了音频和视频的分离传输,这就避免了因为音/视频混合干扰而导致的图像质量下降。目前音视频设备上应用最广泛的接口,几乎每台音视频设备上都提供了此类接口。
RCA俗称莲花插座,几乎所有的电视机、影碟机类产品都有这个接口。它并不是专门为哪一种接口设计,既可以用在音频,又可以用在普通的视频信号,也是DVD分量(YCrCb)的插座,只不过数量是三个。RCA接头是目前为止最为常见的一种音/视频接线端子种双线连接方式的端子早在收音机出现的时代便由RCA录音公司发明出来,还有一个更老式、也比较奇怪的称呼叫做“唱盘”接头。
RCA端子采用同轴传输信号的方式,中轴用来传输信号,外沿一圈的接触层用来接地,可以用来传输数字音频信号和模拟视频信号。RCA音频端子一般成对地用不同颜色标注:右声道用红色,左声道用黑色或白色。有的时候,中置和环绕声道连接线会用其他的颜色标注来方便接线时区分,但整个系统中所有的RCA接头在电气性能上都是一样的。一般来讲,RCA立体声音频线都是左右声道为一组,每声道外观上是一根线。
二者的优点及作用:
BNC接口主要作用是传输视频信号,RCA其主要传输音频信号。不同的接口其优点和作用也是不同的,如BNC接头可以让视频信号互相间干扰减少可达到最佳信号响应效果。此外由于BNC接口的特殊设计连接非常紧不必担心接口松动而产生接触不良。而RCA接口实现了音频和视频的分离传输,这就避免了因为音/视频混合干扰而导致的图像质量下降。目前音视频设备上应用最广泛的接口,几乎每台音视频设备上都提供了此类接口。
注意事项:
BNC接口与传输的视频信号最终显示画面质量没有直接的关系,有些人会误认为视频质量低会不会是BNC接口质量不好,其实不然,画面质量和设备显卡,传输线缆,显示器质量,周围干扰等因素有关系,想要BNC显示效果最大化,上面的每一个因素都必须保证!
当然BNC和复合视频接口也是互通的,可以通过转接头实现互转,信号没有损失。
通过上文的介绍后,您对于“BNC接口和RCA接口存在什么区别”应该已经有所了解了,BNC接口和RCA接口常识是电子元器件从业者必备的基础知识,如果您想了解更多关于BNC接口、RCA接口方面的知识,请登录http://www.chem707.cn/,每天更新发布更新bnc接口相关产品,满足您订购查阅的需求。选择德索五金电子,构造安全,连接你我!
bnc转接头:http://www.chem707.cn/adpter/

查阅BNC接口的特性
/
不知您对于BNC接口的特性了解多少,作为一名电子元器件行业的相关从业者,应该了解下BNC接口的特性,如果连BNC接口的基本特性都弄不清的话,恐怕算不上一名合格的从业者。下面德索五金电子就为您介绍一下BNC接口的特性。
特性阻抗:75Ω
频率范围:0~2GHz
接触电阻:内导体…
