面板安装前锁穿墙BNC连接器母弯式PCB插孔50Ω

产品规格
| 阻抗 | 50 ohm |
| 频率范围 | 50 ohm 为 0~4 GHz |
| 电压驻波比 | 直式 ≦ 1.22/3GHz / 弯式≦ 1.30/3GHz |
| 耐电压 | 1500V rms |
| 工作电压 | 500 V rms |
| 中心接触电阻 | ≦ 1.5 mΩ (Milliohms max.) |
| 外接触电阻围 | ≦ 2.0 mΩ (Milliohms max.) |
| 绝缘电阻 | ≧5 x 103 mΩ (Megohms min.) |
| 耦合方式 | 卡扣连接 |
| 保持力 | 6 lbs min. |
| 配接耐久性 | ≧500 cycles |
| 温度范围 | Teflon -55℃~+155℃ / POM -40℃~+60℃ |
| 螺母锁定保持力 | 100 lbs. min. |
| 振动 | MIL-STD-202 Meth. 204 |
| 抗腐蚀性 | MIL-STD-202 Meth. 101 |
材质
| 部件 | 材料 | 表面处理 |
| 主体 | Brass | Nickel(Ni) |
| 中心针 | Brass | Gold |
| 绝缘子 | Teflon | White |
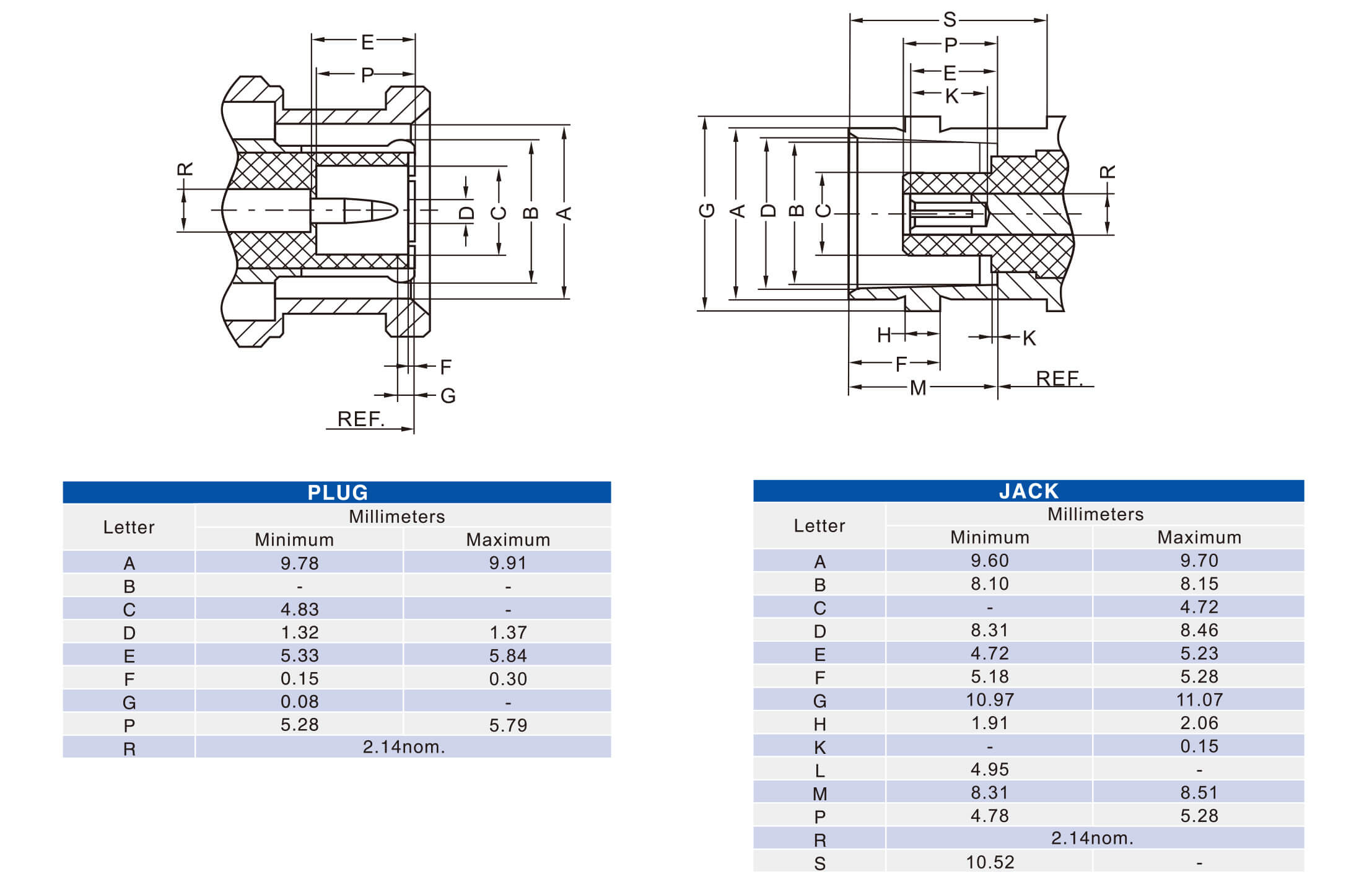
产品图纸

包装与运输
| 发货地 | 广东省东莞 |
| 付款方式 | 支付宝、微信、银行汇款 |
| 常规交货期 | 7-10天 |
| 运输方式 | 快递/物流 |
| 包装方式 | 吸塑盒+纸箱/?PE袋+纸箱 |
| 箱规 | 39.5*24.5*19.5cm |
| 49.5*24.5*19.5cm | |
| 47*41*21cm | |
| 34*34*30cm |



